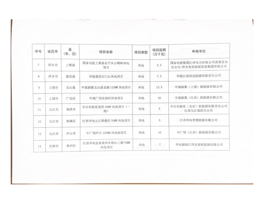
近日,江西省能源局下发2025年新能源年度开发方案第二批集中式项目清单,规模总计2.02GW,全部为风电项目。
根据文件,清单项目中分为两类,一类为具备接入条件的,规模约1.65GW,第二类项目的接入系统方案则需进一步优化,规模为375MW。
文件指出,例如清单的集中式项目接网工程(含间隔)自动纳入电网规划,项目单位要抓紧落实项目建设条件,依法办理开工手续,要结合市场消纳和交易需求合理配置和预留调节能力。
具体见下:







日期:2025-12-27 来源:江西省能源局 浏览:226次 19
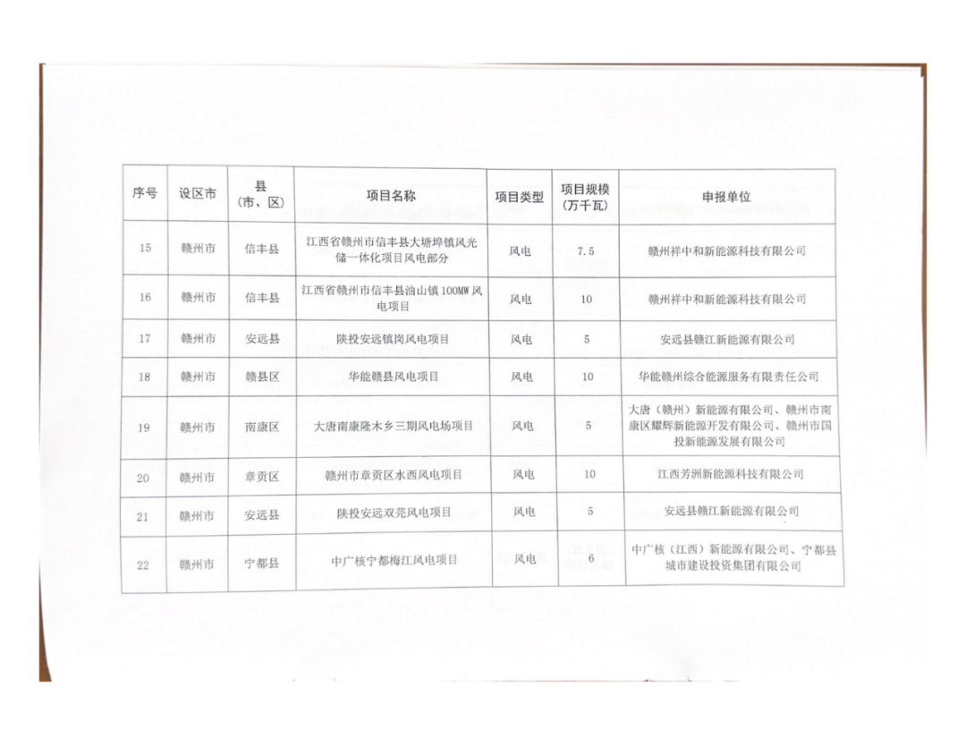
近日,江西省能源局下发2025年新能源年度开发方案第二批集中式项目清单,规模总计2.02GW,全部为风电项目。
根据文件,清单项目中分为两类,一类为具备接入条件的,规模约1.65GW,第二类项目的接入系统方案则需进一步优化,规模为375MW。
文件指出,例如清单的集中式项目接网工程(含间隔)自动纳入电网规划,项目单位要抓紧落实项目建设条件,依法办理开工手续,要结合市场消纳和交易需求合理配置和预留调节能力。
具体见下:







特别声明: 东电头条转载其他网站内容,出于传递更多信息而非盈利之目的,同时并不代表赞成其观点或证实其描述,内容仅供参考。版权归原作者所有,若有侵权,请联系我们删除。
凡来源注明东电头条的内容为东电头条原创,转载需获授权。
中国华电“水电智慧生产运营平台”建设取得阶段性成果
华电阿拉善盟高新区防沙治沙和风光一体化800MW光伏并网
共计1998MW!华能6个风电项目风机集采招标
2025年1-11月份电网投资5604亿元
京公网安备11011502038011 京ICP证:京B2-20242397 广播电视节目制作经营许可证编号:(京)字第31043号
中华人民共和国出版物经营许可证:新出发京零字第西250029号
发表评论