2025年12月31日,生态环境部发布2023年电力二氧化碳排放因子的公告,公布2023年全国及各省电力二氧化碳排放因子,全文如下:
关于发布2023年电力二氧化碳排放因子的公告
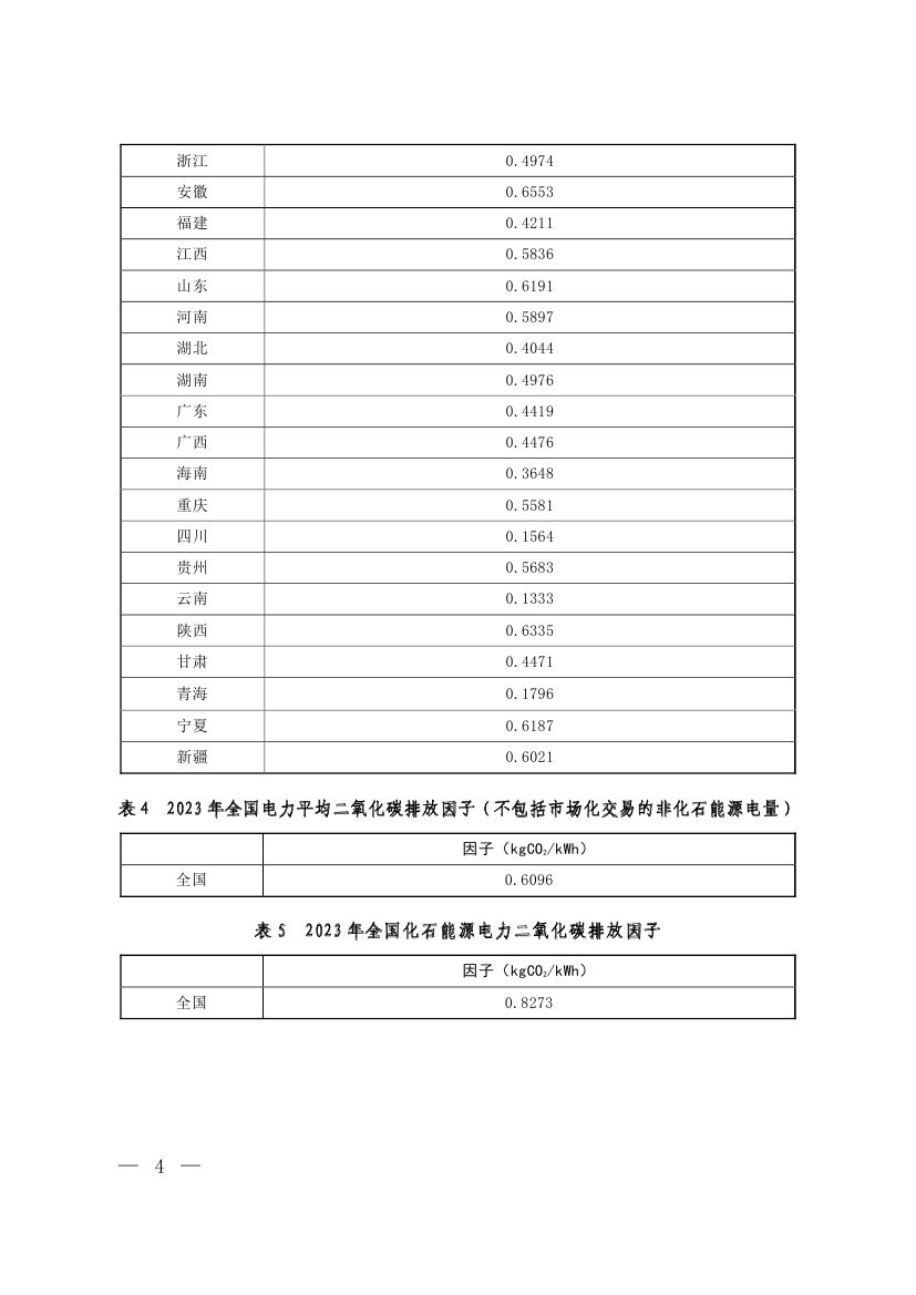
生态环境部、国家统计局组织计算了2023年全国、区域和省级电力平均二氧化碳排放因子,全国电力平均二氧化碳排放因子(不包括市场化交易的非化石能源电量),以及全国化石能源电力二氧化碳排放因子,供核算电力消费的二氧化碳排放量时参考使用。上述因子与《关于发布2021年电力二氧化碳排放因子的公告》(公告2024年第12号)、《关于发布2022年电力二氧化碳排放因子的公告》(公告2024年第33号)中2021年、2022年电力二氧化碳排放因子的计算方法和数据来源一致。
特此公告。
附件:2023年电力二氧化碳排放因子
生态环境部
国家统计局
2025年12月31日
生态环境部办公厅2025年12月31日印发




发表评论